

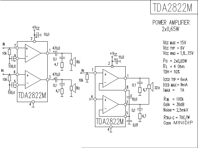
这是TDA2822M的两种图纸,左边的是普通双声道接法,功率为0.1-0.6W,电压3-15V,右边是BTL桥接法,功率为0.6-1.7W,电压3-30V,不过输出是单声道,现在有2块2822M,想用BTL方法用2块芯片分别制作一路声道输出,并且要求在电源输入输出和信号输出上制作退藕,电源输入上是为了保护220-22V变压器,电源输出是为了保护芯片及信号输入端,信号上是为了屏蔽手机,电视等的信号波,请大家帮忙设计一个制作简单的电路,个人能力有限,没有现成的电路板,需要一款比较方便的电路图来进行线路设计
用户系统信息:Mozilla/4.0 (compatible; MSIE 8.0; Windows NT 5.1; Trident/4.0; TheWorld)